Ir a contenido

GROHE 25 244 003 EUROSMART Monomando de ducha 1/2" cromo

Marca: Grohe
Ref: 25 244 003
desde Precio original
Precio original
128,30€
desde 128,30€
Precio actual 128,30€
IVA incluido

Coste de envío desde: 10€

¿Alguna duda con este producto? Escríbenos por WhatsApp y nuestro equipo te ayudará.

Ficha Técnica

Marca: Grohe

Colección: Eurosmart

Color: Cromo

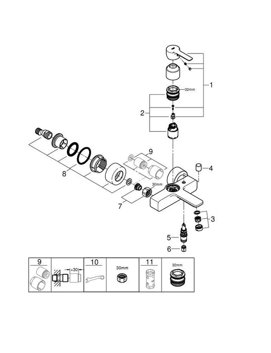
palanca larga metálica ergonómica Longitud de la palanca 120 mm GROHE SilkMove Cartucho de discos cerámicos de 35 mm Limitador de caudal ajustable Limitador ecológico de temperatura Toma inferior para flexo G 1/2" con válvula anti-retorno incorporada Racores en S Florones metálicos Válvula anti-retorno Edición Profesional